Ионно-дрейфовые детекторы в Оренбурге

Госреестр
Гарантия
Хит продаж
Наличие
Хит
Ионно-дрейфовый детектор КЕРБЕР
Хит
Ионно-дрейфовый детектор КЕРБЕР-Т
Хит
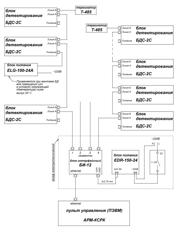
Комплект радиационного контроля КСРК-12
Хит
Детектор паров и следов взрывчатых веществ М-ИОН
Хит
Сигнализатор пороговый двухканальный НПС-32
Хит
Радиометр поисковый СР-5М

Ионно-дрейфовый детектор - это спектрометр ионной подвижности. 

Метод спектрометрии ионной подвижности основан на разделении ионов веществ в газовой фазе по их подвижности во время движения в дрейфовой камере в постоянном электрическом поле.

Ионно-дрейфовые детекторы применяются для досмотра грузов, транспортных средств и людей на предмет обнаружения наркотических, взрывчатых и опасных веществ и соединений, для экологического, инспекционного мониторинга и т.д.

В компании "АНК" Вы можете купить ионно-дрейфовые детекторы. Уточнить стоимость или цену ионно-дрейфовых детекторов Вы можете, связавшись с нашими специалистами по телефону или сделав запрос на сайте компании.

Остались вопросы?
Получите бесплатную консультацию у наших менеджеров!
Нужна помощь?